买球的软件

您好  !欢迎光临东莞市买球的软件电子有限公司网站  !
买球的软件手机 Baosheng Electronics
靠谱的电原企业产品制作销售额制造商 研发面板控制旋钮、电插座面板、贴片面板控制旋钮、触碰面板控制旋钮  ,DC交流电源电插座面板等企业产品
朋友圈百度在线提问公司
个人微信
13790525968 18929461095
大家都在搜: 大家都在搜: 轻触开关、 拨动开关、 DC插座、 耳机插座、 防水轻触开关、 按键开关、
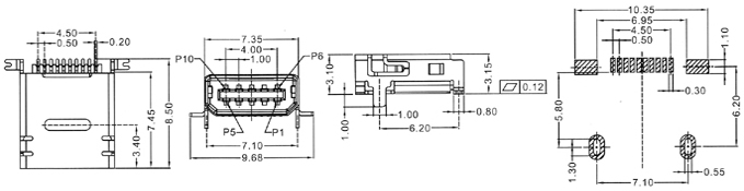
USB座USB-20
USB座USB-20
详情说明 / Details

详细介绍:
型号:USB-20 技术指标
使用温度范围 Temperature
-40~70℃
耐压 Withstand Voltage
AC500V(50Hz)/min
额定负荷 Rated Load
DC 30V 0.5A
插拔力 Actuating Force
0.4~3.57KG
接触电阻 Contact Resistance
≤0.03Ω
寿命 Life
5000次
绝缘电阻 Insulation Resistance
≥100MΩ
 
 

本产品广泛用于  ,玩具  ,电动玩具  ,玩具公仔  ,防盗器  ,家用电器  ,手机数码  ,电子通讯  ,电子游戏机  ,汽车防盗  ,智能化系统,电视机、MP3、耳机  ,等电脑通讯器材